P200T系列压力变送器,通过智能型压力变送模块将传感器采集的信号转为4~20mA等多种电信号输出。该压力变送器利用数字化补偿技术,大大提高测量准确度,降低温度漂移的影响。同时产品拥有安全可靠的防爆结构设计,可用于测量液体、气体或蒸汽压力,并通过通信设备实现远程设定、监控等。
适用环境
■ 石油天然气输送
■ 化工过程控制
■ 钢铁冶炼
■ 发电厂锅炉过程控制
■ 有色金属冶炼
■ 污水处理
技术参数
性能指标
| 准确度等级 | 0.2级,0.1级,0.075级 |
| 环境温度影响 | ≤ ±0.1%F.S/10℃ |
| 长期稳定性 | ≤ ±0.15%/URL/3 年(直装式);≤ ±0.2%/URL/1 年(法兰式) |
| 安装位置影响 | 任意安装位置的变化所带来的影响可通过清零操作校正 |
| 静压影响 | ≤ ±0.1%/ 量程/1MPa |
| 响应时间 | 0.25s |
| 电源影响 | ≤ ±0.005%/URL/V |
| 振动影响 | ≤ ±0.25%/URL/g |
适用环境条件
| 工作温度 | (-40~105)℃ |
| 环境/ 储存温度 | (-40~85)℃ |
| 使用/ 储存湿度 | ≤ 95%RH |
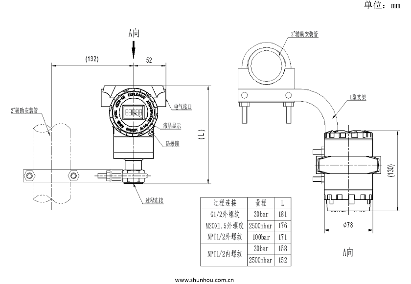
直连式外形尺寸图
| 管装 |
![]() |
| 板装 |
![]() |
隔膜式外形尺寸图
| 隔膜法兰无毛细管连接 |
![]() |
| 隔膜法兰含毛细管连接 |
![]() |



